ZD2531 高性能雨刮电机 | 澎湃动力·精准响应·全天候守护
⛈️ 疾风骤雨,一刷即净
“ZD2531雨刮电机涡轮增压级动力电机,搭配智能扭矩补偿技术,暴雨模式持续稳定输出,拒绝卡顿、滞后、刮拭盲区,守护行车安全线。”
一、⚙️ 核心科技
1.🔋 双核强驱动力
-
50W高功率铜芯电机,转速36-55RPM无级调节,扭矩较普通电机提升60%,轻松应对厚重积雪/泥浆覆盖。
2.🔧 智能负载感知
-
内置MCU芯片实时监测阻力,自动补偿输出功率,雨刮片老化/玻璃结冰时仍保持刮拭一致性。
3.🛡️ 军工级防护
-
IP67防水防尘 + 全密封轴承结构,-30℃极寒至80℃高温环境稳定运行,盐雾测试超1000小时无腐蚀。
4.🔌 全兼容电路设计
-
12V/24V通用双电压,支持CAN/LIN总线协议,适配90%以上车型原车ECU系统(公交/校车/长途客车专车解码方案)。
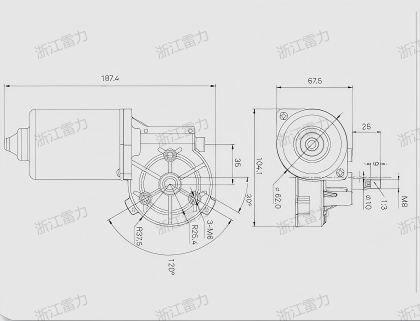
二、📊 性能参数
-
型号:ZD2531
-
额定电压:DC 12V/24V 双电压
-
空载转速:36/55±5 RPM
-
堵转扭矩:25N·m
-
防护等级:IP67(防浸水1米/30分钟)
-
工作温度:-30℃ ~ +80℃
-
质保期:1年或20万次启停循环
三、🛠️ 安装优势
✅ 原位无损替换
-
原厂级插头/支架设计,无需改线即插即用
✅ 免工具快装
-
三点定位卡扣+防错位导向槽,15分钟完成更换
✅ 智能自检功能
-
首次通电自动校准刮拭角度,LED故障指示灯实时预警
四、🌐 适配车型
客车:厦门金龙、郑州宇通、亚星(2010-2025款主流车型)
公交:宇通客车、比亚迪客车、金旅客车
校车:金旅、亚星、金龙、海格(兼容新能源车型高压系统)
-
*支持4S店/OEM批量定制,提供车型诊断报告*
五、📜 品质认证
- ISO/TS 16949 汽车质量管理体系认证
- 50万次连续刮拭耐久测试报告
六、❓ 高频问答
Q:电机能否直接替换原厂件?是否需要匹配控制器?
A:90%车型可直接替换原电机,带雨量感应车型需保留原车控制器,无需额外匹配。
Q:在东北极寒地区使用时启动是否迟缓?
A:采用低温稀土磁钢,-30℃环境下启动时间<0.5秒,标配防冻润滑脂。
Q:质保包含哪些故障类型?
A:覆盖轴承卡滞、线圈短路、齿轮崩齿等质量问题(人为改装/泡水除外)。
七、🚘 为什么要升级ZD2531雨刮电机?
▸ 传统电机扭矩衰减快,3年后刮拭效率下降40%
▸ 普通防水电机遇融雪剂易腐蚀卡死
▸ 非智能电机无法适应自动雨刷系统
